ВЕБАСТО Webasto IPCU - модул → Обява 8896604

ВЕБАСТО Webasto IPCU - модул, снимка 1 - Аксесоари и консумативи - 8896604 ВЕБАСТО Webasto IPCU - модул, снимка 2 - Аксесоари и консумативи - 8896604 ВЕБАСТО Webasto IPCU - модул, снимка 3 - Аксесоари и консумативи - 8896604 1/3
ВЕБАСТО Webasto IPCU - модул
гр. Варна Наблюдавай

Публикувана/обновена на 19 февруари в 12:10 ч.

Състояние
Ново
Тип мпс
Автомобили и джипове
Aксесоар
Други
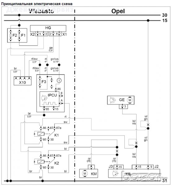
Webasto IPCU - модул за активиране на вентилатора на купе за марки автомобили като Мазда, Опел, Фолксваген Групата и др.Модула е предназначен за сервизи монтиращи водни печки на Вебасто или ЕбершпехерМодула е софтуерно ограничен за минимални обороти на вентилатора в купето на автомобила с цел пестене на енергия и не може да се променя от клиента. Изпращам с примерни схеми за монтаж.Модула е аналог на оргиналния
Преглеждания: 11 747
Другите търсят също
Препоръчани за теб
Популярни търсения: релета webasto вебасто
Цена:
30 € 58,67 лв